Sedert 20 jaar vervaardigen wij alle soorten zachte klauwen.
Het ligt dan ook voor de hand dat wij uitstekend zijn uitgerust om U deze binnen de kortst mogelijke termijn en aan zeer redelijke prijzen te leveren.

Hoeveel U er ook nodig hebt: 3..., 30..., 150...? Bel ons even op nummer 050/82 33 92 of Fax 050/82 72 04. Met genoegen zullen wij U prijzen en leveringstermijnen mededelen.

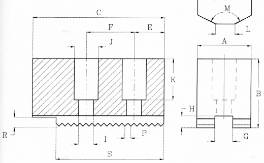
Buiten de standaardmaten van de catalogus kunnen wij ook Uw klauwen vervaardigen volgende Uw gewenste afmetingen voor Uw specifiek werk.

Wij staan ook ter beschikking voor het vervaardigen van Uw opspangereedschappen.

Voor U betekent dit een duidelijke besparing want U zult ontdekken dat onze leveringen heel wat voordeliger uitvallen.